Opus Lugano™ Fixings

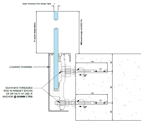
Concrete Fix

Lugano

Concrete Fix

Suitable for top fixing in all situations, providing versatile and reliable installation options for various applications.

Handle Type D Handles
Available in Matt Black and Zinc Alloy
Handle Hole Centre (mm) 192
Handle Length (mm) 246
Handle Depth (mm) 36
Handle Width (mm) 14
Family Manor
Pricing Group Ultimate Series
Steel Fix

Lugano

Steel Fix

Suitable for top fixing in all situations, providing versatile and reliable installation options for various applications.

Handle Type D Handles
Available in Matt Black and Zinc Alloy
Handle Hole Centre (mm) 192
Handle Length (mm) 246
Handle Depth (mm) 36
Handle Width (mm) 14
Family Manor
Pricing Group Ultimate Series
Timber (Bolt Through)

Lugano

Timber (Bolt Through)

Particularly suited to installation in concrete, or below floating tiles, with no visible fixings.

Handle Type D Handles
Available in Matt Black and Zinc Alloy
Handle Hole Centre (mm) 192
Handle Length (mm) 246
Handle Depth (mm) 36
Handle Width (mm) 14
Family Manor
Pricing Group Ultimate Series
Timber (Lag Screw)

Lugano

Timber (Lag Screw)

Offering flexibility and secure installation for various applications and environments.

Handle Type D Handles
Available in Matt Black and Zinc Alloy
Handle Hole Centre (mm) 192
Handle Length (mm) 246
Handle Depth (mm) 36
Handle Width (mm) 14
Family Manor
Pricing Group Ultimate Series
scope of use

Opus Lugano™ Scope of Use

The Opus Lugano Balustrade system is a frameless channel system that exposes all three edges of the glass. Lugano’s time-efficient locating and adjusting technique enables installers to easily adjust the glass panels with a simple turn of a spanner once the panel is in place. Single-sided adjustment and locking eliminate the need for scaffolding or external access during glass installation. This feature is especially beneficial in areas like balconies, where there is a risk of falling.

  • Suitable for balustrades, pool fencing, wind breaks, or barriers
  • Suitable for residential Occupancy Types: A & C3
  • Suitable for up Extra High wind zones (subject to glass requirements)
  • Accommodates 12mm & 13.52mm glass types
  • Side mounted into timber, steel or concrete
  • Frameless or semi-frameless with handrail
  • Suitable for up to and including Extra High wind zones (subject to glass requirements)
  • Not suitable for C5 Occupancy — please refer to the Tough Lock commercial channel, which is certified for C5 Occupancy
  • Must be designed and installed in accordance with the technical literature from Opus Hardware
  • Where used as pool fencing, must be designed and installed following specific guidelines and hardware to meet NZBC F9
Shop Opus Lugano™